[Willkommen] [Kontakt] [Archiv] [Lesezeichen]
Natriumdampf-Niederdrucklampen (Kurzbezeichnung: SOX, LPS) werden vor allem im Bereich der Straßen- und Sicherheitsbeleuchtung verwendet. Sie strahlen ein quasi monochromatisches Licht mit einer Wellenlänge von ca. 589 nm (gelb-orange) ab.
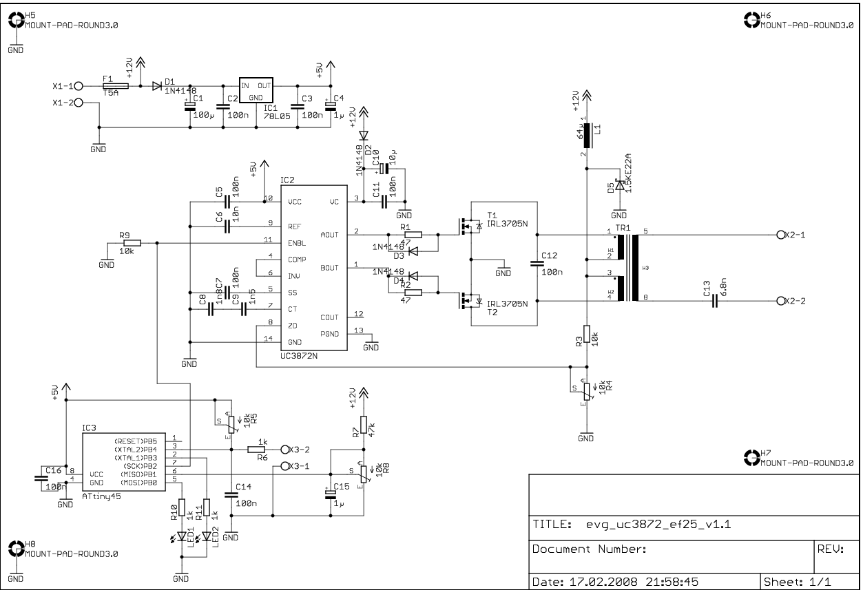
Im folgenden soll ein elektronisches Vorschaltgerät zum Betrieb einer Natriumdampflampe an 12 V= beschrieben werden. Achtung: Am Ausgang des Vorschaltgeräts stehen lebensgefährliche Zündspannungen von bis zu 500 V(eff) an. Bei einem Nachbau ist also Vorsicht geboten! Fragen können gerne per E-Mail an mich gerichtet werden.
Die Gasentladung wird durch Anlegen einer hohen Spannung, der Zündspannung, gestartet. Die einsetzende Gasentladung weist einen negativen differentiellen Widerstand auf. Ein Betrieb der Lampe direkt an einer Spannungsquelle würde zu einem unzulässig hohem Strom und zur Zerstörung der Lampe führen. Aus diesem Grund ist ein strombegrenzendes Bauteil, z.B. Spule, Kondensator oder Widerstand, in Reihe mit dem Stromkreis zu schalten, damit sich ein stabiler Arbeitspunkt einstellt.

Das Vorschaltgerät besteht im wesentlichen aus einem stromgespeisten Gegentaktoszillator (engl.: current-fed push-pull resonant inverter, Baxandall oscillator). Die Grundstruktur des Gegentaktoszillators setzt sich aus zwei Teilen zusammen: einem bedämpften Schwingkreis und der Energiezufuhr. Der bedämpfte Schwingkreis wird vom Transformator TR1, den Kondensatoren C12 und C13 sowie von der an X2 angeschlossenen Entladungslampe gebildet. Die Energiezufuhr in den Schwingkreis übernehmen IC2, T1, T2 und L1.
Im ungezündeten Zustand nach dem Start stellt sich eine Schwingfrequenz ein, die von C12 und der Wicklung W1+W2 (TR1) vorgegeben wird. Die Spannung über den Wicklungen W1 und beträgt insgesamt ca. 25 V(eff). Abhängig vom Windungsverhältnis (W1+W2):W3 wird diese Spannung an W2 (TR1) hochtransformiert und steht als Zündspannung (Leerlaufspannung) über der Lampe an.
Nach Zünden der Lampe wird der Strom durch den Kondensator C13 auf den Betriebsstrom der Lampe begrenzt. Gleichzeitig verringert sich die Schwingfrequenz, da nun auch C13 in den Schwingkreis eingeht. Durch die Lampe wird dem Schwingkreis Energie entzogen, die durch Energiezufuhr über die Spule L1 und die beiden Transistoren ausgeglichen wird. Die Spule L1 sorgt für eine relativ konstante Stromzufuhr, daher auch der Name "stromgespeister Gegentaktoszillator".
Die Transistoren T1 und T2 werden abwechselnd durch IC2 angesteuert. Sobald die Spannung am Eingang ZD unter 0,5 V fällt, schaltet IC2 die beiden Transistoren um. Die Transistoren werden folglich nahezu verlustlos im Spannungsnulldurchgang (ZVS) geschaltet und kommen ohne Kühlkörper aus. Die Umschaltschwelle kann mit Trimmer R4 optimiert werden.
Der Mikrocontroller IC3 überwacht zum einen die Versorgungsspannung und schaltet einstellbar durch Trimmer R8 bei Unterspannung ab, um z.B. einen speisenden Akkumulator vor Tiefentladung zu schützen. Desweiteren kann an die Klemme X3 ein Photowiderstand angeschlossen werden. In diesem Fall wird die Lampe nur bei Dämmerung eingeschaltet. Die Schaltschwelle wird mit Trimmer R5 festgelegt.
Im folgenden gebe ich einige konkrete Dimensionierungbeispiele. Die Zündfrequenz beträgt ca. 100 kHz, die Betriebsfrequenz ca. 50 kHz.
Der Aufbau der beiden Vorschaltgeräte erfolgte auf Leiterplatten (Layout, Bestückung).
Die Wicklung W3 des Trafos TR1 wird zuerst auf den Spulenkörper gewickelt, befindet sich also unten. Danach werden die Wicklungen W1 und W2 darüber parallel gewickelt. Der Luftspalt kann im Mittelschenkel oder durch Beilagen (z.B. Papier) in den Außenschenkeln eingestellt werden. Je größer der Luftpalt, desto größer der Lampenstrom.
Der Mikrocontroller IC3 muß vor dem Einbau programmiert werden. Dafür stehen die HEX-Datei sowie der Quellcode zur Verfügung. Die Fuses des IC3 sind so zu setzen, daß der Mikrocontroller mit 128 kHz getaktet wird.
Es sind zwei Brücken von R4 zu IC2-ZD und R7 zu IC3-PB1 einzulöten. Vor Inbetriebnahme sind alle drei Trimmer auf Linksanschlag zu stellen. Hier eine Ansicht des Vorschaltgerätes für HQL 50 W:

Wenn man den Tiefentladeschutz und den Dämmerungsschalter nicht benötigt, kann man den Schaltungsblock um IC3 weglassen und muß dann den ENBL-Eingang von IC2 auf +5V legen.

Das Vorschaltgerät besteht im wesentlichen aus einem stromgespeisten Gegentaktoszillator (engl.: current-fed push-pull resonant inverter, Baxandall oscillator). Die Grundstruktur des Gegentaktoszillators setzt sich aus zwei Teilen zusammen: einem bedämpften Schwingkreis und der Energiezufuhr. Der bedämpfte Schwingkreis wird vom Transformator TR1, den Kondensatoren C3 und C4 sowie von der an X3 angeschlossenen Entladungslampe gebildet. Die Energiezufuhr in den Schwingkreis übernehmen die restlichen Bauteile.
Im ungezündeten Zustand nach dem Start stellt sich eine Schwingfrequenz ein, die von C3 und der Wicklung W1 (TR1) vorgegeben wird. Die Spannung über der Wicklung W1 beträgt ca. 25 V(eff). Abhängig vom Windungsverhältnis W1:W2 wird diese Spannung an W2 (TR1) hochtransformiert und steht als Zündspannung (Leerlaufspannung) über der Lampe an.
Nach Zünden der Lampe wird der Strom durch den Kondensator C4 auf den Betriebsstrom der Lampe begrenzt. Gleichzeitig verringert sich die Schwingfrequenz, da nun auch C4 in den Schwingkreis eingeht. Durch die Lampe wird dem Schwingkreis Energie entzogen, die durch Energiezufuhr über die Spule L1 und die beiden Transistoren ausgeglichen wird. Die Spule L1 sorgt für eine relativ konstante Stromzufuhr, daher auch der Name "stromgespeister Gegentaktoszillator".
Im folgenden gebe ich einige konkrete Dimensionierungbeispiele. Die Zündfrequenz beträgt ca. 100 kHz, die Betriebsfrequenz ca. 50 kHz. Sobald es meine Zeit zuläßt, werde ich an dieser Stelle auch die Herleitung und Berechnungsformeln veröffentlichen.
Der Aufbau der beiden Vorschaltgeräte erfolgte auf Leiterplatten. Hier zwei Ansichten des Vorschaltgerätes für SOX-E 36 W:
Die Transistoren kommen ohne Kühlkörper aus, da sie fast verlustlos im Spannungsnulldurchgang geschaltet werden. Im folgenden noch zwei detaillierte Ansichten des Transformators TR1:

Die Wicklung W2 wird in zwei Lagen zuerst auf den Spulenkörper gewickelt, befindet sich also unten. Danach wird die Wicklung W1 bestehend aus den Teilwicklungen W1A und W1B darüber gewickelt. Zwischenisolation, Rähmchenband und Isolierschlauch sorgen für eine sichere Isolation zwischen den Wicklungen W1 und W2.
Alternativ zum oben vorgestellten freischwingenden Oszillator, kann auch ein gesteuerter Oszillator mit Transformator, Drossel und Resonanzzündung für ein EVG genutzt werden. Eine solche Schaltung wird z.B. von IRF im Application Note AN-1038 (engl.) beschrieben, von denen man auch gleich den passenden IC kaufen kann ;-)
![]()
Zuletzt bearbeitet am 10. Oktober 2009.